JR Merritt

Knowledge Base

Have questions about one of our joysticks or control solutions? Need to research which product best fits your application needs? Find information below on all of our products including downloadable literature, technical drawings and relevant blog articles.
Back To Top

Brochures

Click each brochure to view its content.

Product Categories

Click a category below to jump to that section

Joysticks

HS0

Technical Drawings

HS2

Technical Drawings

JMS3

Technical Drawings

NNSO

Technical Drawings

NS3

Technical Drawings

ST4

Technical Drawings

Need help identifying your joystick model and model #?

Read the guide

Handle

FG-2

Technical Drawings

G56

Technical Drawings

G58

Technical Drawings

TH30

Technical Drawings

Operator Chair Systems & Seats

Enclosures & Portable Consoles

FGC-01-A

Technical Drawings

FGC-03

Technical Drawings

FGP-02

Technical Drawings

Floor Pedestals

Technical Drawings

Output Devices

DP60

Technical Drawings

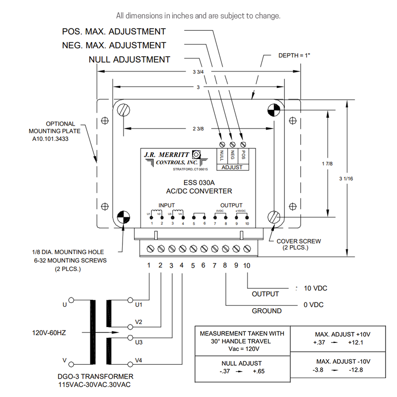
ESS 030
ESS 10010

Technical Drawings

ESS 420

Technical Drawings

ESS408

Technical Drawings

Need help choosing the right controls for your application?
Connect with us